阀门 > 水力控制阀 > J145X隔膜式电动遥控阀
产品概述
J145X隔膜式电动遥控阀主要安装在各类给水系统的管道上,根据电信号或手动操作,是阀门打开或关闭。J145X隔膜式电动遥控阀具有相当准确快速的控制反应。关闭速度可调,阀门平稳关闭而不会产生压力波动。上海依耐发展有限公司生产的J145X隔膜式电动遥控阀采用三向电磁阀,维护简单。


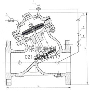
典型安装图

J145X隔膜式电动遥控阀 典型安装示意图
主要外形尺寸
| DN | 50 | 65 | 80 | 100 | 125 | 150 | 200 | 250 | 300 | 350 | 400 | 450 | 500 | 600 |
| L | 205 | 216 | 250 | 320 | 365 | 415 | 500 | 605 | 698 | 787 | 914 | 978 | 978 | 1150 |
| H | 320 | 367 | 400 | 452 | 522 | 592 | 696 | 810 | 943 | 1200 | 1230 | 1230 | 1270 | 1600 |
订购注意事项:
J145X隔膜式电动遥控阀产品电子样本所涵盖的参数表、性能表、尺寸表、图片、文字描述等信息,仅为上海依耐J145X隔膜式电动遥控阀说明书的一部分,供选型参考之用,详细产品说明书、以及CAD图纸、安装图、尺寸图等请来电索取。由于编辑水平有限,错误和不妥之处在所难免,真诚希望您批评指正。