阀门 > 旋塞阀 > X13H二通压力表旋塞阀


主要性能规范
| 型号 | 公称压力 PN(MPa) |
试验压力PS(MPa) | 工作温度(℃) | 适用介质 | |
| 壳体 | 密封 | ||||
| X13H-4.0C | 1.6-6.4 | 2.0-7.0 | 1.6-6.4 | ≤100 | 水、蒸汽、油品等 |
| X13H-4.0T | 1.6-6.4 | 2.0-7.0 | 1.6-6.4 | ||
| X13H-4.0P | 1.6-6.4 | 2.0-7.0 | 1.6-6.4 | 硝酸类 | |
主要零件材料
| 零件名称 | 阀体 | 塞子 | 填料压盖 | 填料 |
| X13H-4.0C | 铸钢 | 铸钢 | 铸钢 | 石墨 |
| X13H-4.0T | 铸铜 | 铸铜 | 铸铜 | |
| X13H-4.0P | 不锈钢 | 不锈钢 | 不锈钢 |
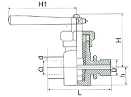
主要尺寸
| 零件名称 | 尺寸(mm) | ||||||
| D | L | G | d | h | H | H1 | |
| X13H-4.0C | G1/2 | 91 | 20*1.5 | 6.5 | 25 | 85 | 123 |
| X13H-4.0T | |||||||
| X13H-4.0P | |||||||
订购注意事项:
X13H二通压力表旋塞阀产品电子样本所涵盖的参数表、性能表、尺寸表、图片、文字描述等信息,仅为上海依耐X13H二通压力表旋塞阀说明书的一部分,供选型参考之用,详细产品说明书、以及CAD图纸、安装图、尺寸图等请来电索取。由于编辑水平有限,错误和不妥之处在所难免,真诚希望您批评指正。